Korektor siły hamowania Wilwood 260-11179 dwu obiegowy z pokrętłem
Odroczone płatności. Kup teraz, zapłać za 30 dni, jeżeli nie zwrócisz.
Więcej informacjiKup teraz, zapłać później - 4 kroki

Na stronie PayPo sprawdż swoje dane i podaj pesel.
Przeznacznie: uniwersalne
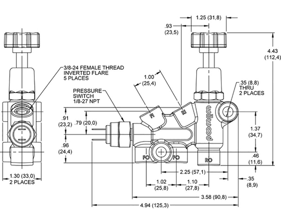
Zakres regulacji: 100-1000 psi (7-70 bara)
Maksymalny spadek ciśnienia: 57%
Końcówki do podłączenia przewodów: 1/8-27 NPT lub 3/8-24 IF
Ilość wejść - 2 (1 przednie, 1 tylne)
Ilość wyjść - 3 (2 przednie, 1 tylne po korekcji)
W komplecie stycznik ciśnieniowy do świateł.
Korektor siły hamowania renomowanej firmy Wilwood wykonany jest z bardzo mocnego kutego aluminium i posiada precyzyjne pokrętło do regulacji ciśnienia na tylnej osi. Korektor jest w stanie obniżyć ciśnienie o 57% w zakresie 100-1000 psi (7-70 bara) dzięki czemu nawet przy bardzo dużej różnicy siły hamowania między osiami można ustawić odpowiednie proporcje ciśnienia w układzie. Korygowany jest tylko 1 obieg tylny. Obieg przedni posiada 1 wejście i 2 wyjścia oraz czujnik do świateł stopu.
Gwarancja 12 miesięcy





